- JEMIMAトップページ
- お役立ち情報
- 技術解説
- 5 環境計測器の技術解説
- 5-2 水質汚染計測器
- 5-2-9 その他の水質汚濁計測器
5-2-9 その他の水質汚濁計測器
- 1. pH 計測器及びORP 計測器
- 2. 溶存酸素計測器
- 3. 濁度・色度計測器
- 4. COD 計測器
- 5. TOC 計測器
- 6. 紫外線吸光度計測器(UV 計測器)
- 7. 全りん計測器及び全窒素計測器
- 8. 油分計測器及び油膜計測器
- 9. その他の水質汚濁計測器
- 10. 監視システム並びに装置
- 11. その他の水質汚濁用関連機器
2.9.1 導電率計測器
1. はしがき
導電率計測器は、液体における電気の伝導度を計測するものである。液体の純度の測定や液中の電解質の濃度の測定に使用され、プロセス計測や環境計測に広く用いられている。
一般に、溶液の電気伝導率( 導電率) は、液中に存在するイオンに依存し、金属と同様にオームの法則に従う。1cm 立方の相対する二面間の電気抵抗を抵抗率といい、Ω・cm の単位で表す。電気伝導率(導電率)は、この逆数として定義され、単位はS/cm である。
現在市販されている導電率計測器は、原理的に大別すると、電極法と電磁誘導法がある。電極法には、2 電極式と電極表面の汚れや分極の影響を受けにくい4 電極式がある。電磁誘導法は、耐食性にすぐれているので、高濃度の酸やアルカリの測定に適している。なお、導電率(電気伝導率)測定方法について、JIS K 0400「水質-電気伝導率の測定」で、電極法、電磁誘導法が規定されている。
以下に導電率計測器の測定方式、特徴を述べる。
2. 測定方式
2.1 電極法
電極法は、測定液に電極をひたして溶液抵抗を測定し、電気伝導率(導電率)を求めるもので、コールラウシュブリッジ方式に代表される昔からの測定法である。測定液の基準温度における電気伝導率(導電率)に換算する自動温度補償機能を有し、食塩、各種電解質の温度係数を内蔵している。また、電気伝導率(導電率)と濃度の換算テーブルを内蔵して、濃度信号を出力する濃度計としても用いられている。
プロセス用や環境用として使用されるものの必要条件としては、長期間の連続測定が可能でなければならず、そのためには電極上の汚れや、分極作用などによる誤差を避ける必要がある。図1に、2 電極式の測定原理を示す。

電源に交流を用いるのは、前述した通り電極面における分極容量及び分極抵抗の影響を避けるためである。用いられる周波数は、数百~数千ヘルツの範囲に入るものが多い。また、測定電気伝導率(導電率)の範囲によって、電源周波数を変えているものもある。交流定電圧を印加して、流れる電流値から電気伝導率(導電率)を求めているが、本来の測定対象であるRL 以外に、汚れや分極によるRS やCS も測定されてしまう。
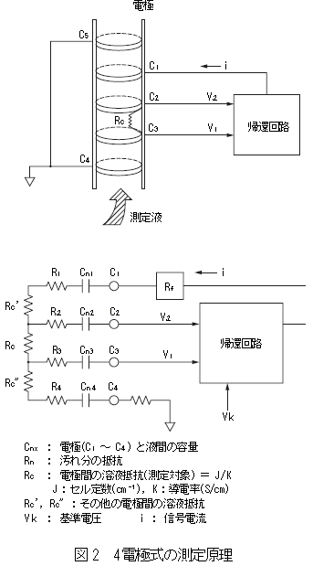
汚れや分極による誤差をなくす目的で、4 電極式が開発された。通常、2 電極式の測定範囲は、0.1 μS/cm ~1 mS/cm であるが、4 電極式では、1~ 1000 mS/cm の高電気伝導率(導電率)でも分極の影響なく測定ができる。図2 に、4 電極式の測定原理を示す。

電極C4とC5は、内部で接続されて等電位になっている。このため、液中のノイズの影響を受けない。電極C2、C3 にかかる電圧が一定になる様に、帰還回路から電流を流す。この時流れる電流は、電極のセル抵抗に逆比例する。
4 電極式では、原理的に、測定電極であるC2、C3 に電流を流さないので、分極の激しい高濃度溶液でも分極がおきない。また、4 電極式が汚れに強い理由を、以下の式で説明する。
V1 = (Rc'' + R4) × i
V2 = (Rc + Rc'' + R4) × i
帰還回路は、V1 とV2 の差が一定となる様に働く。
V2 - V1 = Re × i = Vk
以上より、i = Vk/Rc
となり、信号電流は汚れ分の抵抗Rn の影響を受けずに、測定電極C2、C3 間の溶液抵抗によってのみ決まる。
検出器には挿入形と流通形があり、いずれも機械的強度を十分考慮した構造になっている。ボディは、主に、ステンレススチール及び樹脂などで構成され、電極部材質としては、ステンレススチールや白金、カーボングラファイトなどが用いられている。電極部は、連続測定中にセル定数が容易に変化することのないよう、多くは円柱の筒で強固に固定されている。図3 に、検出器の構造例を示す。

2.2 電磁誘導法
電磁誘導法による導電率計の測定原理は、測定液に電磁誘導によって交流電流を流し( 励磁トランス)、その電流を電磁誘導によって検出し( 検出トランス)、溶液の導電率を求める。その原理構造図を、図4 に示す。

検出部の構造は、図(a)に示す通り、重ね合わせた2 つのトランスを絶縁物でモールド又はライニングし、これを測定液へ浸すようにしてある。(b)原理図に示す通り、測定液はトランスとして、T1 、T2 の各々と交差する一巻きの回路を形成する。1 次コイルC1 に交流電流を流すと、C2 には溶液の電気伝導率(導電率)に比例した電流i が流れる。一方、C2 を一次コイルとするトランスT2 の二次コイルC3 には、C3 に流れる電流に比例した電圧e が発生する。これは、溶液の電気伝導率(導電率)に応じた値となり、e を計ることによって溶液の電気伝導率(導電率)を知ることができる。
この方式の特徴としては、接液部に電極のような金属部分がないため、耐食性に優れていること、及び電極式に見られる分極現象がないため高電気伝導率(導電率)の液の測定が可能であること、構造が複雑でないためメンテナンス性がよいことである。従って、塩酸、水酸化ナトリウムなどの強酸、強アルカリの様な成分測定に適する。ただし、低濃度の水溶液の測定には不向きで、測定範囲としては2 μS/cm ~ 2 S/cm が適当である。
トランスをカバーする絶縁物としては、PEEK(ポリエーテルエーテルケトン)やテフロンが用いられているので、非常に耐食性が高い。
高濃度の酸、アルカリの濃度測定に使用されるので、広い範囲の濃度にわたって、温度補償を正確に行う必要がある。このため、各種電解質の電気伝導率(導電率)と温度のマトリックステーブルを内蔵しているものもある。濃度計としても使用されるので、電気伝導率(導電率)と濃度の換算テーブルを内蔵して、濃度信号として出力する機能も有している。
2.9.2 シアン計測器
1. はしがき
シアンはきわめて毒性が強く、その排出はきびしく規制されている。排水中のシアンは、シアンイオン(シアン化水素を含む)及びシアン錯イオンなどの形で存在している。シアンの自動測定法には、全シアンを測定する加熱蒸留―比色法、加熱蒸留―イオン電極法及びUV 錯体分解―イオン電極法、遊離シアンやシアン化合物を測定するイオン電極法がある。以下に、これらの方式を用いた計測器についてのべる。
2. 測定方式
2.1 加熱蒸留-比色法(全シアン測定)
図5に、加熱蒸留-比色法を用いた計測器の例を示す。

図5 において、一段目蒸留は、JIS K 0102「工場排水試験方法」に定められた条件pH2 以下で行い、錯シアン、遊離シアンをすべて遊離シアンとして留出させる。しかし、これと同時に、試料中の妨害成分Cl- 、S2- も留出するので、二段目蒸留器では、添加された酢酸鉛によりS2-が硫化鉛となって除去される。この後、pH5.5 で二回目の蒸留が行われCl- が残留し除かれる。
次に、発色液が加えられ、遊離シアンを発色させて吸光度測定を行い、シアン濃度として指示させる。以上の操作は、タイマにより自動的に行われる。一試料の測定は、1~ 12 時間の間で設定されたプログラムによって行われる。この方法は、JIS K 0102「工場排水試験方法」に規定されたチオシアン酸第二水銀による発色―吸光光度法に準拠しており、低濃度シアンの測定ができるので、環境測定用に適する。また、Cl-、S2-の妨害成分の影響が少ないことも特徴といえる。
2.2 加熱蒸留-イオン電極法(全シアン測定)
図6 に、加熱蒸留-イオン電極法を用いた測定装置の例を示す。

この計測器では、試料100 mL に2 %の塩化第一銅溶液10 mL 及び、りん酸(1 + 2)(りん酸1 容:水2 容)10 mL を加えて20 ~ 25 分間加熱すると同時に、0.5 ~1 L/ 分の空気を通気する。このとき発生したシアン化水素を、0.5 %水酸化ナトリウム溶液50 mL に吸収させて、イオン電極で測定する。この計測器は、シーケンスにしたがってV1 ~ V17 の電磁弁が動作し、試料及び各試薬の計量、導入、加熱蒸留、シアン濃度の測定、排水、洗浄の各操作が順次進行し、一試料約30 分で間欠的に自動測定される。シアン回収率、共存物質の影響の少ないことが特徴である。
2.3 UV 錯体分解-イオン電極法(全シアン測定)
この方式は、紫外線照射によりシアン錯体が分解反応することに着目し、分解生成したシアン化水素ガスをガス透過膜で透過分離し、水酸化ナトリウム溶液に吸収濃縮させたシアンイオンを、マグネティックスターラ型(MS型)イオン電極で測定する。この方式では、紫外線を照射すれば全シアンとして、照射しなければシアン化イオンだけが、シアン化水素ガスとなって測定される。図7に、この計測器の系統例を示す。

マグネティックスターラの回転子によって研摩しながら測定する。これによって、電極表面状態の変化による感度劣化やドリフトなどの問題点を解決するよう工夫されている。また、イオン電極の前に設けられたガス透過分離管、過酸化鉛カラムによって妨害成分が除去されることも特徴となる。
2.4 イオン電極法(遊離シアン測定)
シアンイオンは、pH10 以下の液中ではシアン化水素として存在する。シアンイオンとして安定に存在するには、pH11 以上の条件が必要である。したがって、この方法では、試料をpH11 以上に調整して測定する。図8 は、イオン電極法による遊離シアン計測器の系統図例である。

試料は、pH コントロールシステムでpH12 ~ 13 に調整され、イオン電極によりシアンイオンが測定される。測定槽の液温度は、pH 及びシアンイオン電極の温度補償をするため、20 ~ 25 ℃に調整されている。また、電極の汚れを防ぐため自動洗浄機構が内蔵されている。さらに、シアンイオン濃度が、2 ~ 3 分間連続して設定値を超えた場合、警報ブザーを鳴らし、容器に試料が採取される機構も内蔵している。隔膜式イオン電極を用いて、直接、電極を開渠などに浸漬するタイプもある。この方式は、前述の計測器のように、試料を装置内に取り込み、アルカリ処理をする必要がないので、構成が簡単になる。
2.9.3 フェノール計測器
1. はしがき
フェノール性水酸基をもつ物質は、塩素と反応し塩素化フェノール類を生成する。この塩素化フェノールは、極微量でも水にいちじるしい異臭味を与える。したがって、塩素滅菌を行う上水道の水源河川では、ごくわずかなフェノール汚染も問題になる。フェノール類の測定法は、JIS K 0102「工場排水試験方法」に規定されている4 -アミノアンチピリン吸光光度法、p -ヒドラジノベンゼルスルホン酸法の吸光光度法のほかに、蛍光分光光度法、紫外吸光光度法、赤外分光光度法、ガスクロマトグラフ法などがある。ここでは、自動計測器に用いられている「4 -アミノアンチピリン―吸光光 度法」と「紫外吸光光度法」を用いた計測器について述べる。
2. 測定方式
2.1 4 -アミノアンチピリン―吸光光度法
図9 に、吸光光度法を用いたフェノール計測器の系統図例を示す。計測器に取り込まれた試料は、蒸留され、酸化性物質、還元性物質、金属イオン、芳香族アミン類、油分、タール類などの嫌成分が分離除去され発色槽へ送られる。発色槽では、発色を安定にするため、塩化アンモニウム-アンモニア溶液が加えられ、約pH10 に調整されたのち、アミノアンチピリン溶液(発色液)とフェリシアン化カリウム溶液(発色助液)が加えられ撹拌される。このとき発色する赤色の510 nm 付近の吸光度を測定し、フェノール濃度として指示させる。なお、妨害成分が少ないときには、4 -アミノアンチピリン法が、フェノールに対して比較的選択性が高いので蒸留操作を省略する。また、試料に硫黄分が含まれる場合は、蒸留前に通気して硫黄分を除く機構を付加する。以上の操作は、すべてプログラムにより自動で行われ、30分~ 6 時間で測定間隔を任意に設定することがでる。

2.2 紫外吸光光度法
図10 に、紫外吸光光度法を用いたフェノール計測器の原理図を示す。この計測器は、光源に水銀ランプを使用し、水銀の輝線である289 nm と365 nm の光を試料の測定に利用している。フェノール は、図11 で示されるように、pH5 では、289 nm の光はほとんど吸収されず、pH12 では、微量でもかなりの吸収を生じる。試料は、試料室で酸性試薬と塩基性試薬によりpH が調整され、調整された試料は、切り換えてフローセルへ流せるようになっている。波長289nm の光は、試料室を通過し、ビームスプリッタと光学フィルタを介して測定側光電管で検出される。波長365 nm の光は、同様にして対照側の光学フィルタを介して対照側光電管で検出される。この二波長の光信号は、吸光度に変換され、この吸光度の差が出力される。なお、波長365 nm の光は、フェノールには吸収されず、試料の濁度、気泡など、試料に影響する成分を補償するための比較光である。フェノールの濃度は、pH12 での吸光度とpH5 での吸光度の差によって測定される。計測器の測定周期は、10 分、最小測定範囲は、0 ~ 0.1 mg/L である。この方式は、pH によってフェノールの吸収スペクトルがシフトするので、試料及び標準溶液は、pH7 付近で一定にする必要があるが、mg/ Lレベルの測定が可能であり、ほかの方式と比較し、構造が簡単である。

2.9.4 有害重金属計測器
1. はしがき
環境基本法による公共用水域の水質汚濁に係る環境基準は、人の健康の保護及び生活環境の保全に関する2 つの環境基準を設定しており、カドミウム、鉛、クロム(6価)、ひ素、総水銀、アルキル水銀、セレンの7 項目が規制対象となっている。また、水質汚濁防止法に基づく排水基準としては、この7 項目に加えて、銅、亜鉛、溶解性鉄、溶解性マンガン、全クロムの12 項目が対象になっている。環境基準、排水基準に規定されている公定法の測定物質毎の測定方法は、表1 の通りである。公定法は、前処理を含めて詳細に規定された機器分析法であり、機器としては、原子吸光分光光度計、誘導結合プラズマ(ICP)発光分光分析装置、誘導結合プラズマ(ICP)質量分析装置及び紫外可視分光光度計が使用される。有害金属の自動分析計は、排水管理などで強く要望されており、簡単な前処理装置と組み合わせた測定が、モニタ的に使用されるようになってきている。
また、水質汚濁問題における重金属分析は、上述の環境水や排水だけでなく、金属の溶出源となる底質を対象とする部分の比重も大きい。また、重金属汚染の実態からみて、水質汚濁の自動分析は、大気汚染のような連続自動測定というより、測定の省力化の観点からの要求が強い。このような理由から、測定の自動化が行われても、それは、ラボオートメーションであり、分析機器そのものの基本的な形は、あまり変わらないと考えられる。ここでは、重金属分析用のラボ分析機器を主体に、以下、簡単に説明する。

2. 測定方式
2.1 吸光光度法(紫外・可視分光光度計)
対象金属成分をジエチルジチオカルバミン酸塩や、ジチゾンなどによってキレート化し、発色させて吸光光度法により濃度を測定する。鉄の1,10 -フェナントロリン吸光光度法やクロムのジフェニルカルバジド吸光光度法とよばれているように、使用する発色試薬の名を冠した方式名が多い。また、キレート化は、有機溶媒による抽出を可能にし、濃縮による感度向上をもたらす。
吸光光度法は、測定溶液をセルに入れ、光路に置いて測定する静的な方法であり、試料のない状態と実試料とを比較する絶対測定が可能なため、基本的分析方法とされている。このため、JIS では、いくつかの方式の選択が可能で、その中に吸光光度法が含まれている場合、これを常に首位に記載している。
紫外・可視分光光度計は、基本試料と実試料とを比較する単なる相対測定から、吸光度の絶対測定、あるいはメータ読取りから自記式、反射、2 波長測光、微分などの各種機能などに応じて、装置のグレードの幅が非常に広く、目的に応じた階級のものを選んで使用する。
2.2 原子吸光法(原子吸光分光光度計:AA)
溶液試料中の溶解金属塩が、アセチレン―空気炎などのガスフレーム、又はそれ自体が通電で、急激に発熱するグラファイト炉によって熱解離し、金属元素が原子化されて空中にあるとき、その元素の発光スペクトル線の光を照射すると、そのエネルギを吸収して原子が励起状態に遷移する。このとき、光は原子の数に応じて吸収される。これを原子吸光といい、原子は元素固有の発光線のみ吸収を行うので、光源にホロカソードランプなど特定元素の発光線を出すものを選べば、他元素の共存する状況で、特定元素の選択的定量を行うことができる。基本的に他元素の干渉はないが、実際にはスペクトル線の近接による分光干渉、化学反応で原子化を抑制する化学干渉などが存在するため、試料の組成により、適宜、波長の選択、前処理が必要である。分析する元素を設定し、使用するホロカソードランプを選定するこの方式は、定量分析専用であるが、検出感度は、ほとんどの元素において吸光光度法より高い。このため、公害対策における最適な分析法として非常に広く普及している。ガスフレームを用いるフレーム原子吸光法に対し、発熱体の炉を用いる電気加熱(フレームレス)原子吸光法は、感度がさらに1 ~ 2桁も高い。また、電気加熱法は、安全性、制御の点から自動化においても有利である。図12 に、フレーム原子吸光法の簡単な構成、図13 に、電気加熱吸光法のグラファイト炉の例を示す。

なお、ひ素(As)、セレン(Se)などの一部の元素では、水素化ほう酸ナトリウム(NaBH4)などの還元試薬によって、アルシン(AsH3)、セラン(SeH2)などの気体の水素化物とし、アルゴンキャリヤーガスで石英加熱セルに導入して測定する水素化物発生法が採用されている。この方式は、非常に感度が増大する。
2.3 冷蒸気法(水銀分析計又は水銀分析付属装置)
水銀は室温でも蒸気圧が高く、原子化するために加熱する必要がない。このため、水銀蒸気を含むガスを室温でガスセルに導けば定量を行うことができる。これは、フレームレス原子吸光法の一種であるが、電気加熱による方式と区別するため、冷蒸気法と呼ぶ。
溶解無機水銀塩は、そのまま分析に供することができるが、不溶、あるいは有機体の水銀については前処理によってHg(Ⅱ)の水溶液とする。この状態から定量するための装置は、現在次の2 種類ある。
(1) 還元気化法
試料溶液を密閉バブラに入れ、硫酸酸性SnCl2 溶液を加え、水銀放電灯を光源とした紫外・可視分光光度計又は原子吸光分光光度計のガスセルとエアポンプをつないでガスの閉流路を形成する。ポンプを動かせてバブリングを継続すると、還元された水銀は、蒸気としてガス中に追い出されるので原子吸光を行い、定量される。
(2) 金アマルガム法
加熱炉、金アマルガム化部、測定部及びキャリヤーガス源から構成される。試料を高温の加熱炉に注入すると、他のガス化した成分とともに、水銀蒸気は、金ファイバを入れた金アマルガム化部へ運ばれる。ここで水銀はアマルガムとして選択的に捕捉され、濃縮される。次に金アマルガムを急速加熱すると、水銀は一時に放出され、ガスセルに入り、水銀放電灯からの水銀スペクトル線を吸収し、定量される。還元気化法の場合は付属装置のケースが多いが、金アマルガム法は専用分析計がある。
2.4 蛍光Ⅹ線分析法
物質に電子線又はⅩ線、γ線などの放射線を照射すると、これら励起線よりエネルギの低い(波長の長い)二次線、特性Ⅹ線を放射し、その波長は元素に固有である。その強度は、元素量に比例するから、分光器又はエネルギ解析装置によって、特性Ⅹ線の測定を行えば、組成の定性・定量を行うことができる。波長(又はエネルギ)走査を行えば、含有元素の探索を行うことができるので、一般の蛍光Ⅹ線分析装置は、励起源には白色Ⅹ線を出すⅩ線管球を用いる。そのターゲットにより波長範囲が異なるので、分析対象元素によって、2 ~ 3 の管球の選択を行う。
この方式は、組成解析ができること、非金属元素の測定もできることなど、すぐれた点があるが、感度的には、原子吸光法に遠く及ばない。そこで、低濃度水溶液については、適当な方法で沈殿を形成、ろ別したものを試料とする、あるいは、電解によってカソードに濃縮・析出させ、電極を試科とする方法などがとられている。
2.5 誘導結合プラズマ(ICP) 発光分光分析法(AES)/ICP 質量分析法(MS)
重金属元素は、外部からエネルギを与えると励起されて、紫外・可視部の光を放射(発光)する。その光の波長は、元素に固有であり、強度は含有量に比例する。これを応用した分析を発光分光分析といい、アーク、スパーク放電を励起源とする装置は、半世紀以上の歴史を有する。発光分光分析法では、重金属だけではなく多くの元素を測定することができる。測定対象が溶液の場合、励起源として誘導結合プラズマ(ICP)が使用されている。
誘導結合プラズマ(ICP)は、図14 のように石英製の3重管の先端部にコイルを置いた構造のトーチで発生させる。

トーチにガス(通常はアルゴンガス)を流し、コイルに27 MHz もしくは40 MHz、1 ~ 1.5 kW の高周波電流を流すと、トーチ上部に、6000 ~ 10000 ℃のプラズマが形成される。このプラズマは、ドーナツ状と称されるように、プラズマ中心部の温度の低いことが特徴である。このプラズマにミスト状とした試料を導入する。試料に含まれるほとんどの元素は、プラズマ中で励起され、発光する。
ICP 発光分光分析法は、この光を分光器に導き、測定を行う。この方式は、フレームレス原子吸光法に匹敵する感度を有する上、多元素同時分析が可能である。また、分光干渉・イオン干渉も存在はするが、適切な分光器を選択することにより対処することが可能で、短時間に多元素・多検体を測定することができる。図15 に、誘導結合プラズマ(ICP)発光分光分析計の構成例を示す。

図16 に、誘導結合プラズマ(ICP)質量分析計の構成例を示す。プラズマ中では、多くの元素がイオン化され、このイオンを質量分析計に導入し、定性・定量分析を行うのが、誘導結合プラズマ(ICP) 質量分析計である。ICP発光分光分析法と同様、多元素同時分析が可能であり、多くの元素に対してppt レベルの超高感度分析ができる。このため、濃縮などの前処理なしに測定することが可能で、環境試料、半導体・生体試料など多種試料中の無機元素分析に広く利用されている。

表2 に、フレームレス原子吸光分光光度計(AA)とICP-AES、ICP-MS との感度の比較(概略)を表す。

2.9.5 TOD 計測器
1. はしがき
TOD(Total Oxygen Demand:全酸素消費量)は、JISK 0102「工場排水試験方法」によると、「試料を燃焼させたとき、試料中の有機物の構成元素である炭素、水素、窒素、硫黄、りんなどによって消費される酸素の量」と定義され、有機性水質汚濁の程度を示す指標の一つとして提唱されている。この測定には燃焼法が適用され、少量の試料を一定量の酸素を含む不活性気体とともに高温の燃焼管に送り込み、有機物などを燃焼させた後、不活性気体中の酸素濃度を定量し、その減量から全酸素消費量を求める。
TOD 計測器は、理論的酸素消費量に最も近い値が得られる他、測定所要時間が短く(通常3 ~ 4 分)、測定結果の自動記録、あるいは測定値信号の工業的計装への応用が可能である。法令で定める水質汚濁指標であるBOD、COD との相関が得られるため、これらの特徴を利用して、河川、湖沼、海域における水質の常時監視や工場排水の常時監視、排水処理装置の運転管理、排水処理実験や排水処理装置の評価、分析室における集中検査分析、総量規制用自動計測器といった用途に用いられている。
2. 測定方式
2.1 燃焼法
一般には、熱分解及び酸化反応に必要十分な条件であると考えられる900 ℃、白金触媒の存在下で有機性汚濁物は次のように反応する。

この燃焼反応に必要な酸素を、キャリヤーガス流中のガス状酸素として供給すると、キャリヤーガス流の酸素濃度は、燃焼反応のために一時的に低下し、この酸素濃度変化分を測定することにより、試料の燃焼反応に必要な酸素量すなわちTOD が得られる。
TOD 計測器は、試料を一定量計量する「試料計量部」、一定量計量された試料を燃焼させる「燃焼部」、燃焼ガスの水分を除去する「冷却除湿部」、消費した酸素量を測定する「検出部」、検出器出力信号の電気的処理を行う「信号処理部」、測定結果を記録する「記録部」、試料の燃焼に必要な一定酸素濃度のガスを供給する「キャリヤーガス供給部」から構成される。図17に、TOD計測器のフローシートの例を示す。

試料を計量し燃焼部へ注入する方法には、間欠方式と連続方式がある。間欠方式は、アスピレータや小型の定量ポンプなどで採取される試料水のうち一定量をスライディングプレートバルブで計量し、燃焼部に滴下させる方式である。連続方式は、定量ポンプなどで燃焼部へ連続的に試料水を送入する方式である。
燃焼部は、垂直におかれた燃焼管(石英ガラス又は合金)と、それを取り囲む環状電気炉で構成されている。触媒には粒状にまるめた白金網が一般に使用され、その上下をセラミック綿で、はさんで触媒を保持している。試料計量弁で計量された検水は、燃焼管内に滴下され、瞬時に触媒上で気化燃焼し、キャリヤーガス中の酸素濃度を一時的に低下させる。
冷却除湿器では電子冷却式のクーラを採用し、燃焼ガスを2 ℃程度に冷却して除湿している。凝縮した水は、シールポットから自動的に排出される。
酸素濃度を測定する検出器には、固体電解質濃淡電池又は液体電解質電池が使用される。ジルコニア(ZrO2)にZr(4 価)と異なる価数の元素の酸化物、CaO などを混入させて安定化した固体電解質濃淡電池は、高温において酸素イオンによる導電性が生じる。
このような材料で管を作り、管の内外面に電極を設けておくと、内外面の酸素分圧差に比例した次式の電圧が発生する。

ここに、
E:起電力 R:気体定数 T:温度
F:ファラデー定数 n:O2 の価数(= 4)
P1:管内ガス酸素分圧 P2:管外ガス酸素分圧
液体電解質電池は、陽極に白金網、陰極に鉛板、電解液には20 %水酸化カリウム溶液が使われている。この検出器の電極反応は、次の通りである。酸素のイオン化は、酸素濃度に比例するから、この電池の放電電流は、酸素濃度に比例する。

信号処理部は、検出部の出力起電力とTOD 値の直線化、ゲイン調整・自動零点補正等の機能を持たせ、必要時付加する。記録部では、検出部からの起電力は、バーグラフあるいはトレンドグラフ状に記録される。このピーク高さを読み取って、あらかじめ標準液によって求めたTOD 値とピーク(電圧)の関係(検量線)からTOD 値を求める。キャリヤーガス供給部では、燃焼に必要な一定酸素濃度のキャリヤーガスを調整する。酸素濃度の調節には、シリコーンチューブ内に一定流量で窒素ガスを流すと、管壁から大気中の酸素が一定の割合で透過する性質を利用した、いわゆるパーミエイションチューブ方式が使われている。
3. 使用上の留意点
3.1 無機塩類
無機塩類が触媒表面や燃焼管下部に蓄積してくると、ゼロ指示値やスパン指示値が変動して、計測値のバラツキが多くなる。従って、無機塩類を多く含む試料水の場合、燃焼管や触媒の洗浄周期は短くなる。また、塩類の種類や濃度によっては、測定値そのものに影響を与える場合がある。このときは、燃焼管下部に分解剤、吸着剤の装着や、燃焼部の洗浄等により、その影響を除くことができる機種もある。
3.2 溶存酸素
水中には、数mg/L・O の溶存酸素があり、計測値を小さくするように働く。一般の工場排水については、特に影響を考慮する必要はないが、低濃度の試料では、これを無視できない。このときは、窒素ガス等を通気して溶存酸素を除去できるが、校正用のゼロ液や標準液も同様の処理をして、ゼロ、スパンの調整を行う必要がある。
3.3 硝酸塩、亜硝酸塩等
硝酸イオン、亜硝酸イオンは、燃焼時に酸素を放出するので、これらのイオンが多く含まれているときは、TOD値に負の影響を与えるので注意を要する。次亜塩素酸ナトリウムも同様である。硫酸アンモニウム〔(NH4)2 SO4〕の場合は、逆に酸素を消費するので正の影響を与える。
2.9.6 BOD 計測器
1. はしがき
BOD(Biochemical Oxygen Demand)とは、生物化学的酸素消費量のことで、JIS K 0102「工場排水試験方法」によると、「水中の好気性微生物によって消費される溶存酸素の量をいう。試料を希釈水で希釈し、20 ℃で5 日間放置したとき消費された溶存酸素の量で表す」と定義され、単位mg/L で表わされる。これは、河川などで自然に行われている浄化現象を測定法にとり入れたもので、BOD は、水質汚濁の指標の一つとして環境基準、排水基準に用いられている。
手分析の標準測定法としては、標準希釈法がある。この方式は、前処理(pH の調整、残留塩素の還元、過飽和酸素の追い出し)した試料に、希釈又は植種希釈水を加え、20 ℃、5 日間の酸素消費量が、3.5 ~ 6 mg/L となるように、希釈倍率を変えた数種類の希釈試料水を調製する。調製された希釈試料水は、恒温槽に入れる前の溶存酸素量と、恒温槽に5 日間放置した後の溶存酸素量を測定し、その差から20℃、5日間のBODを求めるものである。
手分析における希釈操作や溶存酸素の分析操作は、熟練を要し、また、希釈倍率は、BOD 濃度によっても異なるので、あらかじめBOD 濃度が推定できる場合を除き、数多く希釈倍率の異なる希釈検水を用意する必要がある。このわずらわしさを解消するため、希釈なしで直接BOD を求める方法、希釈は必要とするが溶存酸素の測定を自動化するもの, 手分析との相関関係からBOD を求めるものなど、BOD 自動計測器が商品化されている。
以下、クーロメトリー法、ばっ気法、酸素センサ法、紫外蛍光法, 微生物電極法の測定原理及び特徴について述べる。
2. 測定方式
2.1 クーロメトリー法
この方式は、希釈なしで直接BOD 濃度を求める。図18に、クーロメトリー法によるBOD 計測器の構成例を示す。

試料に植種物質及び緩衝液を入れて、マグネティックスターラで連続的にかきまぜると、微生物活動により、試料中の溶存酸素が消費され、二酸化炭素が生成する。この二酸化炭素は、培養ビン上部にある二酸化炭素吸収剤に吸収されるので、培養ビン内は減圧される。この圧力低下を電極式マノメータが検出すると、リレーが働いて、電解ビンで酸素の発生が始まり、酸素の供給が行われる。酸素の供給により培養ビンの圧力が元に復すると、マノメータからの信号が切れ、電解ビン上部での酸素の発生が停止する。このような操作で、ビン上部の密閉空間部の圧力を常に一定に保つことにより、微生物活動を促進させ、増殖及び呼吸作用によって消費する溶存酸素を測定するものである。この時消費された酸素の量は、電解により生成した酸素の量と等しく、電解に要した電気量に比例するため、定電流下で電解時間を積算することにより、消費された酸素の量が自動的に測定できる。電解時間の積算は、電解電流が流れている時にだけ動作する同期電動機で、ポテンショメータを回して行っている。
この方式は、かなり高濃度の試料に対しても希釈操作の必要がなく、また5 日目に至るまでの途中経過の記録がとれるため、微生物活動の解析や毒性影響の判定ができる。
2.2 ばっ気法
この方式も希釈なしで直接BOD 濃度を求める。図19に、ばっ気法によるBOD 計測器の構成例を示す。
この計測器は、ばっ気と溶存酸素の測定を組合せたもので、図20 に測定手順を示す。試料をふ卵ビンに入れてセットすると、開栓、酸素センサによる溶存酸素の測定、ばっ気による酸素の補給、ばっ気後の溶存酸素の測定、密栓水封が行われる。5 日間の測定中、セットした一定時間々隔で上記の操作が繰返えされる。BOD 濃度は、間隔ごとに消費された溶存酸素の量を積算して求める。
この方式も途中で酸素の供給が行われるので、標準希釈法に較べ、濃度の高い(30 mg/L 程度)試料まで希釈することなく測定できる。

2.3 酸素センサ法
この方式は溶存酸素の分析のみを自動化したもので、酸素センサとしては隔膜ガルバニックセル式, ポーラログラフ式を用いている。まず、ふ卵ビンに試料を入れ、所定の場所にセットすると、酸素センサ及び攪拌棒が自動的にふ卵ビン中に挿入され、溶存酸素の測定が行われる。測定が終ると、酸素センサと攪拌棒は引き上げられる。ふ卵ビンを別のところへ移し、5 日間、20 ℃で放置したあと、2 回目の溶存酸素の測定を行う。この時、1 回目の測定値が入力されると、自動的に演算が行われ、酸素消費量が表示され、希釈率を乗ずれば、5 日間のBOD 濃度を求めることができる。試料を所定の場所に置くだけで、溶存酸素の測定が行われるので、熟練を必要とせず、また、操作ミスなどの心配がない。溶存酸素の測定は、短時間(約5 分)で終るので、作業能率を上げることができる。
2.4 紫外蛍光法
この方式は, 試料水に320nm の紫外線を直接照射し,発光する蛍光強度を検知し、手分析との相関データによりBOD 濃度を求める。無試薬で連続測定を行い, 濃度変化に対し即時モニタリングができる。検出部が試料水と接触しない非接触式なので、汚れにも強い。図21 に、紫外蛍光法の測定フローを示す。

2.5 微生物電極法
BOD 自動計測器は、前述のごとく測定に5 日間を要する。これに対し、JIS K 3602「微生物電極による生物化学的酸素消費量(BODs)計測器」の中に、固定化微生物膜と酸素電極とを組み合わせた微生物電極を利用して、発酵廃液、下水などの排水中の生物化学的酸素消費量(BODs)値を測定するための計測器について規定があり、酸素電極の先端に酵母菌を固定した微生物センサを用いた簡易溶解性BOD 計測器が製品化されている。図22 は、BODセンサの構成例で、BOD センサは酵母菌である Trichosporon cutaneum を多孔性のアセチルセルロース膜上に吸着固定化し、これを隔膜型酸素電極の先端に密着させた構造となっている。

このBOD センサを試料水中に入れると、センサ先端の固定化された酵母菌が、試料中の有機物質を資化する際に酸素を消費し、酸素電極に達する酸素濃度を減少させる。この酸素濃度の減少量が、有機物質の濃度に比例することを利用し、試料中の溶解性BOD を測定する。溶解性有機物質が多く含まれている試料水の場合、手分析に準拠した方式の値とBOD センサによる値は比較的よい相関関係にある。
BOD センサを用いた計測器としては、センサを含めた測定部とデータ処理装置やプリンタを一体化した装置が一般的である。また、BOD センサ、フローセル、送液ポンプ、恒温槽、pH 調整機構、測定器、コンピュータ等を組合せ、システム化した計測器もある。図23 に、BOD センサ法によるBOD 計測器の構成例を示す。

2.9.7 汚泥濃度計測器
1. はしがき
排水処理は、下水処理とその他工場排水処理に大別される。下水の処理法にはいくつかあるが、近年は、活性汚泥法が主体で、都市下水から事業所内の生活排水の処理に至るまで広く用いられている。図24 に、活性汚泥法による下水処理の一般的なフローと、各処理施設における代表的な計測項目を示す。

最近では、高度処理に対応したばっ気槽も増えており、酸化還元電位(ORP)を計測項目に加える場合もある。活性汚泥処理施設の中心は、ばっ気槽で、槽内の流入下水と活性汚泥との混合液中の懸濁物質がMLSS(Mixed Liquor Suspended Solid)であり、MLSS 濃度は、溶存酸素とともに活性汚泥処理の円滑な運転に欠かせない計測項目である。また、ばっ気槽に供給する活性汚泥は、最終沈殿池に沈殿した汚泥を返送して供給される。このため、ばっ気槽に返送される汚泥の濃度と最終沈殿池における汚泥の沈殿レベル、すなわち汚泥界面も、処理施設の円滑かつ効率的な運転に欠かせない計測項目である。
以下、排水処理に用いられる各種汚泥濃度計測器について、測定原理及び特徴を述べる。
2. 各種汚泥濃度計測器
2.1 MLSS 計測器
活性汚泥法には回転式や連続式など、いくつかの処理方式があり、標準的なMLSS 濃度は、処理方式により異なるが、500 ~ 8000 mg/L 程度の範囲にある。下水試験方法に掲載されているMLSS 濃度の標準的な測定方式は、重量法で、試料採取-試料容量測定-遠心分離-蒸発乾固-乾燥-放冷-重量測定といった手数のかかる方式である。重量法は、連続測定に適用しにくいことから、現在市販されているMLSS 計測器は、光学的方式を利用して、連続測定を可能にしている。図25 に、MLSS 計測器の測定原理を示す。

この方式は、測定液中に照射した光が、液中の懸濁物質により散乱・吸収されて強度が変化することを原理としており、図25 に示すように、透過光又は散乱光を測定し、その強度から濃度を求めるものと、透過光及び散乱光を同時に測定し、透過光強度と散乱光強度の比率演算結果から濃度を求めるものがある。実際の計測器では、受光素子を複数設け、信号処理により測定窓部の汚れや光源の光量変化の影響を軽減するもの、光源をパルス点灯させ、外光の影響を軽減するもの、機械的な自動洗浄機能を備え測定窓部の汚れを除去するものなど、性能、安定性の向上のために、色々な工夫が施されている。
MLSS 計測器の設置方法として、浸漬式とサンプリング式がある。浸漬式は、検出器をばっ気槽の混合液中に直接挿入するもので、検出器をプローブ状にしている。サンプリング式は、ばっ気槽の混合液をポンプで汲み上げ、測定槽内に導入して測定するもので、小型の浸漬式の検出器を測定槽内に挿入するものと、測定槽を透明の筒状とし、その周囲に光源と受光部を配置して測定するものとがある。浸漬式は、設置面積が少なくてすみ、据え付けも簡単に行えるが、保守性を向上させ作業者の安全を考慮する必要がある。サンプリング式は、保守のしやすい場所を選んで設置できるが、試料水を吸い上げるためのポンプと配管が必要となる。
一般には、浸漬式が広く使用されており、検出器をホルダに保持してばっ気槽に浸漬する製品をはじめ、検出器本体を、そのまま吊り下げてばっ気槽に浸漬するもの、ばっ気槽に設置されたパイプに沿って、検出器を落とし込むものなど、検出器の保守性を考慮した製品や、検出器を球形の浮きの中に保持して、ばっ気槽の表層に浸漬させ、測定液の流れによる自浄作用を使う方式, 浮きを使わずバネの力と測定液の流れを使い自己洗浄する" フロート型" など保守頻度を軽減する製品が開発され実用化されている。
2.2 汚泥濃度計測器
最終沈殿池から抜かれた汚泥は、2 ~ 3 %程度の濃度を持ち、口径100 ~ 500 mm 程度の配管でばっ気槽に返送される。汚泥濃度計測器は、このような配管路の途中に組み込まれて用いられる。下水処理用の汚泥濃度計測器には、超音波式、マイクロ波式、光学式があるが、これまで超音波式が多く用いられている。図26 に、超音波式汚泥濃度計測器の測定原理を示す。

この方式は、汚泥管路に対向して送受信子を配置し、送信子から受信子に向けて超音波を発射すると、溶液中の汚泥によって超音波が散乱され、受信信号が濃度に応じて減衰することを利用している。このようなパイプラインに用いるタイプ以外にも、タンク用の浸漬形もある。また、超音波の発信方式により、連続式と断続式(パルス式)があり, 前者が、連続的に一定周波数の音波を発射するのに対し、後者は、反射波の影響を受けない一定時間の間だけ音波を発射するもので、高速で繰り返し測定が行われる。断続式は、連続式との干渉がなく高い測定精度が得られる。
図27 に、マイクロ波式の測定原理を示す。この方式は、汚泥中のマイクロ波の伝搬速度が汚泥濃度の違いにより異なり, それにともなって受信波の位相遅れが変化することを利用している。具体的には、濃度ゼロとみなせる水と汚泥(被測定物質)の位相遅れを測定して、位相差Δθを求めて濃度に換算する。マイクロ波式は、汚れや気泡の影響を受けにくく, 洗浄機構やサンプリング及び消泡の機構等, 機械的稼動部が一切なく汚泥濃度を連続で測定することができる。

光学式の汚泥濃度計測器としては、MLSS 計測器と同様に透過光を測定するものや、透過光と散乱光の両方を測定し比率演算により出力を求めるものもある。
汚泥濃度計測器の適用に当って、もっとも留意すべきことは、気泡の影響がある。とくに、超音波式においては、超音波の伝播路に気泡が混入すると、音波は散乱され、見かけ上濃度が増加したような測定誤差を生じるため、気泡を多く含む汚泥に対しては、前に十分な気泡抜き装置を設けるか、間欠的に一定量の汚泥をサンプリングし, 汚泥中の気泡を加圧消泡し、気泡の影響を抑える必要がある。
汚泥濃度計測器は、返送汚泥ラインのみならず、汚泥処理系にも使用され、測定濃度としてフルスケール1 %から10 %の範囲のものが製品化されている。
2.3 汚泥界面計測器
汚泥界面計測器の測定原理は、基本的には、汚泥濃度計測器と同じである。一方、汚泥界面計測器の使い方として、汚泥層が一定のレベルに達したことを、あらかじめ設定した濃度信号との比較で検出する固定形と、あらかじめ設定した濃度信号に相当する濃度の汚泥層のレベルに追従して検出器が移動し、連続して界面の変化を検出する可動形がある。前者の界面計測器には、光学式と電極式のものがあり、後者には、超音波式が用いられている。
図28 に、超音波式可動形汚泥界面計測器の原理を示す。これは、超音波の原理を利用して、液中の汚泥濃度と底面(又は水面)から検出器までの距離(レベル)を測定する。

汚濁界面計測器は、指定した汚泥濃度の位置を検出し、底面(又は水面)からどのレベルにあるかを測定, 槽内の濃度分布(汚泥濃度とレベル)を測定する汚泥濃度分布計としても使用できる。
超音波式可動形汚泥界面計測器としては、汚泥濃度の測定範囲が0 ~ 1 %から0 ~ 15 %のSS 濃度相当のもの、測定深度がフルスケール2 m から15 m 程度の範囲のものが製品化されている。
2.4 汚泥容量/汚泥容量指標計測器
汚泥容量測定装置(SV 計)は、下水処理場のばっ気槽中の混合液汚泥の汚泥容量(SV:Sludge Volume)を下水試験方法に準拠して自動的に測定する装置である。測定範囲は、1 ~ 99 %(SV)程度である。
また、MLSS 計測器の検出器を付加することにより、汚泥容量指標(SVI:Sludge Volume Index)を算出する汚泥容量指標測定装置(SVI 計)として使用できるようになっているものもある。
2.9.8 その他
その他、排水処理に用いられる計測器として、残留塩素計測器、自動ふっ素イオン濃度計測器、イオンメータ、連続比重計測器などがある。
1. 残留塩素計測器
残留塩素計測器は、滅菌のために排水に注入された塩素の監視に用いられ、下水処理でも処理水に塩素注入を行った後、放流するため欠かせない計測器である。
連続測定方式の残留塩素計は、従来、上下水をはじめ排水処理でも同じものが用いられてきたが、近年は、下水専用の計器も製品化されている。測定方式は、回転微小電極を用いたポーラログラフ法が主として採用されている。図29 に、残留塩素計測器の検出器例を示す。

受水槽に取り付けられた検出器の検知電極と対極に対して, 対象となる試料水中残留塩素の電解還元に最適な一定の電圧がかけられている。これによって、受水槽に試料水が通水されると, 残留塩素濃度に比例した還元電流( 拡散電流) が検出電極と対極間に流れ, この電流を検出して残留塩素濃度として指示する。
下水や排水には、一般に結合残留塩素が多く含まれることから有試薬方式が用いられてきた。有試薬方式は、用いる試薬を選択することにより、全残留塩素と遊離残留塩素の測定に使い分けていたが, 同一試薬で遊離残留塩素, 結合残留塩素, 全残留塩素の分別測定が可能なタイプもある。
上水用には、無試薬方式が、遊離残留塩素のみの測定に用いられてきた。無試薬方式は, 結合残留塩素の影響で手分析値と計器指示の差が問題となることがあったが,近年、無試薬方式で結合残留塩素の影響を受けずに遊離残留塩素を測定する計器も製品化されている。
ポータブルタイプには,DPD(N, N- ジエチル-p- フェニレンジアミン)吸光光度法や無試薬のポーラログラフ方式がある。OT(オルトトリジン)法については, オルトトリジンが発がん性や中程度の急性毒性があることから特定化学物質に指定され, 厚生省生活衛生局水道環境部長通知「水道水質に関する基準の制定について」の一部改正について」により平成14 年(2002 年)4 月1 日から削除されている。
2. そ の 他
ふっ素イオンは、半導体、窯業原科、ガラス加工、水晶発振子加工、ハンダメッキ、アルミ精錬、りん酸製造、ふっ素樹脂、薬品など、比較的広範囲の工場廃液に含まれ、多量に摂取すると生物に害をおよぼすことから、排水基準でも規制値が設けられている。ふっ素イオンの検出は、イオン電極によるが、試料水とpH 調整液を一定の比で連続混合し、試料水のpH を一定に保ちながら測定が行われる。
イオンメータは、卓上用のpH 計と同じように、排水中に含まれる特定イオンの濃度を測定するもので、イオン電極と濃度指示を行う本体とからなっている。また、イオン電極としては、シアン、塩素、イオウ、よう素、臭素、銅、カドミニウム、鉛、チオシアン酸、ふっ素、アンモニア、ナトリウムなどの各イオン電極がある。
そのほか、危険な液体の流出を排水の比重を連続測定 することで監視することができる連続比重計測器は、測定液体の比重変化により浮子の浮力が変わることを応用し、浮子と差動変圧器の組み合わせにより、0.5 ~ 2.0 の測定範囲で感度2/1000 を得られるものが製品化されている。



